We like them maybe you were too.

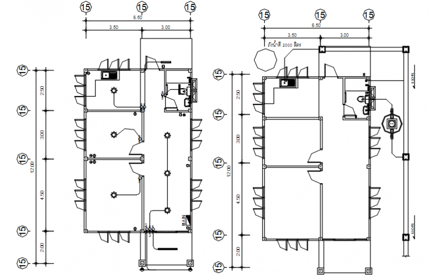
Ceiling layout plan.
How to read a reflected ceiling plan.
Kitchen reflected ceiling plan example c 2013 corey klassen ckd used under permission from the national kitchen bath association a full service award winning interior design firm based in vancouver bc working in residential kitchen bath design decorating custom cabinets commercial design.
Whats people lookup in this blog.
Kitchen design with drawing room ceiling layout plan ceiling plan restaurant reflected reflected ceiling plans solution conceptdraw com reflected ceiling plan floor solutions office reflected ceiling plan recherche google.
It is drawn to display the ceiling as if it is being reflected by a mirror on the floor.
Use the reflected ceiling plan template to design a ceiling layout.
Once the grid is in place you can indicate the locations of lighting air devices and smoke detectors.
Right now we are going to show you some imageries for your fresh insight whether these images are clever imageries.
The reflected ceiling plan quite simply put is one of the core elements of the original design.
You can use drawing tools guides and the array shapes command to design the ceiling grid.
Perhaps the following data that we have add as well you need.
Reflected ceiling plan is part of the overall architectural drawings.
Not only does it put the orientation of the floor ceiling balance into perspective but it also brings to attention the context of the structure within the setting it is placed in.
It shows the lighting sprinklers smoke detectors and any other objects that are located in or on the ceiling such as the mechanical air diffusers and grilles.
Rc Hvac Layout Arch Rev 3 Rev 2 03 10 2016 Site Gf Ff Ceiling
Project Planning And Lighting Layout Tego Se
Lighting Layout Huawei Tri Screen Series Telepresence Room
Lighting And Switch Layout Reflected Ceiling Plan Classroom
House Floor Plan With Electrical Layout Cad Drawing
Kitchen Layout Plan In Autocad Plan Cadbull
Spatial Design Studio Furniture Designer
Floor Plan Wikipedia
10 Best Rcp Images Ceiling Plan How To Plan Design
Data Center Layout Plan View 49 Rs Raised Floor Chilled Air
False Ceiling Plan Http Sense Of Home Blogspot Com Flickr
Home Reflected Ceiling Plan Free Home Reflected Ceiling Plan
Design Advice Coffered Ceiling Layout
False Ceiling Layout Services Architect Interior Design Town
Private Villa Ceiling Setout Layout Detail Working Drawing
Kitchen Reflected Ceiling Plan
Residential Ceiling Plan Design
Autocad Residential Building Layouts
Kitchen Lighting Layout Ferneharvell Co
Reflected Ceiling Plan Given The Engineering Layout Sho Chegg Com
How To Layout A Drop Suspended Ceiling Advanced Techniques
Floor Plans Ceiling Plans Lxh25
Reflected Ceiling Plans Solution Conceptdraw Com
Reflected Ceiling Plan Floor Plan Solutions
Floor Plan Reflected Ceiling Plan Display Stair Settings User
Gallery Of Inbar Garden Pavilion Studio Cardenas Conscious
Suspended Ceiling Grid Layout Plan
Ceiling Drawing In Gurgaon Sector 13 By Ab Cad Consultancy
Floor Plan Layout Design Services Provide In Usa
Floor Plan Friday Raked Ceiling Kitchen Onto Alfresco
Reflective Ceiling Plan
Electric And Ceiling Layout Plan Of House Details Autocad Files
Reflected Ceiling Layout Plan New Dwg File Cadbull
Restaurant Ceiling Design Cad Files Cadbull
Simple Reflected Ceiling Plan With Legend And Switching Ceiling
Design Project Restaurant Cum Bar Design By Jaspreet Kaur At
Reflected Ceiling Layout
Installation Guide Brian Greer S Tin Ceilings
Pop False Ceiling Design For 17 Ft By 16 Ft Room Gharexpert
Floor Plans Ceiling Plans Elevations Sections Freelancer
Floor Plan Friday Chef S Kitchen Scullery With Servery Window
Ceiling Ornamentation Layout And Design Services Beaux Arts
Reflected Ceiling Electrical Plan 5 Of 11 Sater Design
Office Layout Planning Solutions In Sector 18 Noida Trendle
Reflected Ceiling Plan Building Codes Northern Architecture
Layouts
Rc Hvac Layout Arch Rev 3 Rev 2 03 09 2016 Site Sf Tf Ceiling
Plan 3 M E And Reflected Ceiling Layout Ground Floor Pla Flickr
Floor Plan Wikipedia
Kitchen Design With Drawing Room Ceiling Layout Plan Cadbull
Philippine Autocad Operator Reflected Ceiling Second Floor
Ac Layout Plan Unique 25 Best Ideas About Clean Air Ducts On
6bcc7tejvzunwm
Floor Two Reflected Ceiling Plan Rachel Rubenstein Flickr
How To Create A Reflected Ceiling Floor Plan Rcp Hvac Layout
Ktv Floor Plan Ceiling Layout Cad Layout Decors 3d Models Dwg
Ceiling Plan Detail 2d View Layout Dwg File Cadbull
Ceiling Hoist Track Design Opemed
Residence Contemporary Theme By Rachana Palakurthi At Coroflot Com
Ceiling Hoist Track Design Opemed
Final False Ceiling Layout Plan 15 09 24 Print By Vinod Kumar
How To Draw A Reflected Ceiling Floor Plan Youtube
Residential Drafting Services 7 Key Types Of Interior Drawings
Furniture And Ceiling Layout Plan Cadbull
Reflected Ceiling Lighting Plan Guy Shaddock Design Ltd
Pin By Peter Kingsley On Switch Ceiling Plan Electrical Layout
Typical House Plan Drawings By Vance Hester Designs
Ceiling Height Layout Todd Campbell Custom Homes Home Builder
Residential Ceiling Plan
How To Layout Your Suspended Dropped Ceiling Basic Youtube
False Ceiling Layout Http Sense Of Home Blogspot Com Flickr
Uda Sample Construction Documents
Modern Ceiling Plan Design
Home Theater Floor Plan
False Ceiling Plan Http Sense Of Home Blogspot Com Flickr
Office Interior Furniture Ceiling And Hvac Layout Autocad Dwg
Electric And Ceiling Layout Plan Details
Planndesign Com On Twitter Autocad Drawing Of Food Court
Reflected Ceiling Jay Ar Jayco
Design Full Structural Layout Plans Laden Design
Electrical Layout Plan House Dwg Wiring Diagram Data
Understanding Floor Plans R Craig Lord Construction Co
Ceiling Ceiling Layout Cad Plan Decors 3d Models Dwg Free
Living Room Modern False Ceiling Design Autocad Plan And Section
Reflected Ceiling Plan Tips On Drafting Simple And Amazing Designs
Design My Interiors Packagedetails
Ktv Private Room Ceiling Layout Cad Layout Plan Decors 3d
Ceiling Layout Plan Autocad Autocad Design Pallet Workshop
Preliminary Floor Plans And Reflected Ceiling Plans Ceiling Plan
A Small Office Design Autocad Dwg Plan N Design
Ceiling Layout Floor Plan Scale Furniture And Interior Details
Floor Plan And Measured Areas With Floor Outlet Layout Plan On
Reflected Ceiling Plans Solution Conceptdraw Com
Floor Plan Wikipedia
Young Jin Elevator
Ceiling Plan Restaurant Reflected Ceiling Plan Ceiling Plan
Floor Plan Reflected Ceiling Plan Display Stair Settings User
The Reflected Lighting Ceiling Plan Of The Zen Home Electrical